0512-57308519
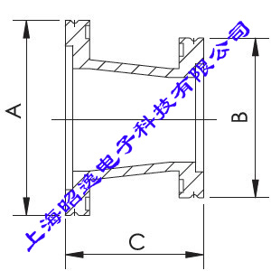
[ISO锥形变径] 规格参数:
ISO-ISO锥形变径|
Model No.
|
Material
|
A
|
B
|
C
|
| ISO80CRA63 |
304 S.S.
|
110
|
95
|
60
|
| ISO100CRA63 |
304 S.S.
|
130
|
95
|
107
|
| ISO100CRA80 |
304 S.S.
|
130
|
110
|
87
|
|
Model No.
|
Material
|
A
|
B
|
C
|
| ISO80CRA63-316 |
316L S.S.
|
110
|
95
|
60
|
| ISO100CRA63-316 |
316L S.S.
|
130
|
95
|
107
|
| ISO100CRA80-316 |
316L S.S.
|
130
|
110
|
87
|
[ISO锥形变径] 基本描述:
1.ISO锥形变径q其英文描述ISO-ISO Conical Reducing Adaptor[ISO锥形变径] 主要材质:
1.ISO锥形变径主要材质种类:304 S.S. or 316L S.S.[ISO锥形变径] 包装方式:
1.ISO锥形变径一般采用法兰保护盖包装,如有特殊要求请来电说明