0512-57308519
[CF-FVCR转接头] 规格参数:
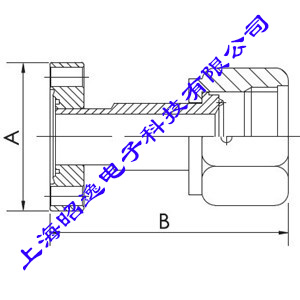
CF-VCR Female Adaptor|
Model No.
|
Blank Material
|
Gland Material
|
A
|
B
|
VCR
|
| CF16FVCR6 |
304 S.S.
|
316 S.S.
|
34
|
35.8
|
1/4”
|
| CF16FVCR9 |
304 S.S.
|
316 S.S.
|
34
|
40.6
|
3/8”
|
| CF16FVCR13 |
304 S.S.
|
316 S.S.
|
34
|
40.6
|
1/2”
|
| CF25FVCR6 |
304 S.S.
|
316 S.S.
|
54
|
35.8
|
1/4”
|
| CF25FVCR9 |
304 S.S.
|
316 S.S.
|
54
|
40.6
|
3/8”
|
| CF25FVCR13 |
304 S.S.
|
316 S.S.
|
54
|
40.6
|
1/2”
|
| CF25FVCR19 |
304 S.S.
|
316 S.S.
|
54
|
53.3
|
3/4”
|
| CF35FVCR6 |
304 S.S.
|
316 S.S.
|
70
|
35.8
|
1/4”
|
| CF35FVCR9 |
304 S.S.
|
316 S.S.
|
70
|
40.6
|
3/8”
|
| CF35FVCR13 |
304 S.S.
|
316 S.S.
|
70
|
40.6
|
1/2”
|
| CF35FVCR19 |
304 S.S.
|
316 S.S.
|
70
|
53.3
|
3/4”
|
[CF-FVCR转接头] 基本描述:
1.CF-FVCR真空转接头英文描述CF-VCR Female Adaptor[CF-FVCR转接头] 产品特点:
1.CF-FVCR真空转接头和CF真空法兰、CF无氧铜垫片、CF盲板等配套使用[CF-FVCR转接头] 适用范围:
1.CF-FVCR真空转接头用于连接CF真空管路和气体管路过度使用[CF-FVCR转接头] 主要材质:
1.CF-FVCR真空转接头主要材质:304 S.S. or 316L S.S.[CF-FVCR转接头] 包装方式:
1.保护盖包装或者纸箱包装,如有特殊要求请来电说明