0512-57308519
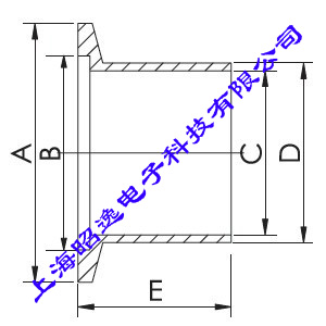
[KF对焊法兰(中颈)] 规格参数:
KF对焊法兰(日标中颈)|
Model No.
|
Standard
|
Material
|
A
|
B
|
C
|
D
|
E
|
|
KF10HHNSJ
|
Japan
|
304 S.S.
|
30
|
12.2
|
10.6
|
13.8
|
30
|
|
KF16HHNSJ
|
Japan
|
304 S.S.
|
30
|
17.2
|
16
|
20
|
30
|
|
KF25HHNSJ
|
Japan
|
304 S.S.
|
40
|
26.2
|
24
|
27.2
|
30
|
|
KF40HHNSJ
|
Japan
|
304 S.S.
|
55
|
41.2
|
39
|
42.7
|
30
|
|
KF50HHNSJ
|
Japan
|
304 S.S.
|
75
|
52.2
|
55
|
60.5
|
30
|
|
KF63HHNSJ
|
Japan
|
304 S.S.
|
87
|
70
|
70
|
76.3
|
30
|
|
KF80HHNSJ
|
Japan
|
304 S.S.
|
114
|
83
|
83
|
89.7
|
30
|
|
KF100HHNSJ
|
Japan
|
304 S.S.
|
134
|
102
|
108.7
|
114.9
|
30
|
|
KF160HHNSJ
|
Japan
|
304 S.S.
|
190
|
153
|
160.2
|
165.6
|
30
|
|
Model No.
|
Standard
|
Material
|
A
|
B
|
C
|
D
|
E
|
|
KF10HHNSE
|
Europe
|
304 S.S.
|
30
|
12.2
|
10
|
14
|
55
|
|
KF16HHNSE
|
Europe
|
304 S.S.
|
30
|
17.2
|
16
|
20
|
55
|
|
KF20HHNSE
|
Europe
|
304 S.S.
|
40
|
22.2
|
21
|
25
|
55
|
|
KF25HHNSE
|
Europe
|
304 S.S.
|
40
|
26.2
|
24
|
28
|
55
|
|
KF32HHNSE
|
Europe
|
304 S.S.
|
55
|
34.2
|
34
|
38
|
55
|
|
KF40HHNSE
|
Europe
|
304 S.S.
|
55
|
41.2
|
41
|
45
|
55
|
|
KF50HHNSE
|
Europe
|
304 S.S
|
75
|
52.2
|
50.6
|
57
|
55
|
[KF对焊法兰(中颈)] 产品特点:
1.KF对焊法兰和KF中心支架、KF 真空卡箍、KF真空链式卡箍配合使用[KF对焊法兰(中颈)] 适用范围:
1.KF对焊法兰主要用于地真空系统之间的链接,可以直接焊接在真空腔体上面[KF对焊法兰(中颈)] 主要材质:
1.KF对焊法兰材质:304 S.S. or 316L S.S. or Copper or Aluminum[KF对焊法兰(中颈)] 包装方式:
1.自封袋或者纸箱包装,如有特殊要求请来电说明