0512-57308519
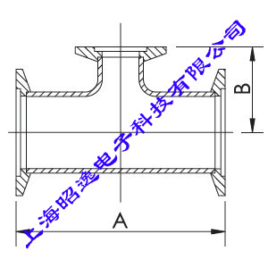
[KF异径三通] 规格参数:
KF异径三通(美标)|
Model No.
|
Standard
|
Material
|
A
|
B
|
|
KF25UT16A
|
U.S.A
|
304 S.S.
|
104
|
37.5
|
|
KF40UT16A
|
U.S.A
|
304 S.S.
|
122
|
52
|
|
KF50UT25A
|
U.S.A
|
304 S.S.
|
122
|
57.8
|
|
KF50UT16A
|
U.S.A
|
304 S.S.
|
160
|
58.2
|
|
KF50UT25A
|
U.S.A
|
304 S.S.
|
160
|
64.1
|
|
KF50UT40A
|
U.S.A
|
304 S.S.
|
160
|
67.3
|
|
Model No.
|
Standard
|
Material
|
A
|
B
|
|
KF25UT16E
|
Europe
|
304 S.S.
|
100
|
40
|
|
KF40UT16E
|
Europe
|
304 S.S.
|
130
|
40
|
|
KF50UT25E
|
Europe
|
304 S.S.
|
130
|
50
|
|
KF50UT16E
|
Europe
|
304 S.S.
|
140
|
50
|
|
KF50UT25E
|
Europe
|
304 S.S.
|
140
|
65
|
|
KF50UT40E
|
Europe
|
304 S.S.
|
140
|
65
|
[KF异径三通] 产品特点:
1.KF异径三通和KF中心支架、KF真空卡箍、KF链式卡箍、NW链式卡箍、KF盲板法兰配合使用[KF异径三通] 适用范围:
1.KF异径三通主要用于低真空机组或者真空管路之间的链接[KF异径三通] 主要材质:
1.常用KF异径三通材质种类:304 S.S. or 316L S.S.[KF异径三通] 包装方式:
1.自封袋或者纸箱包装,如有特殊要求请来电说明