0512-57308519
[ISOF真空接头] 规格参数:
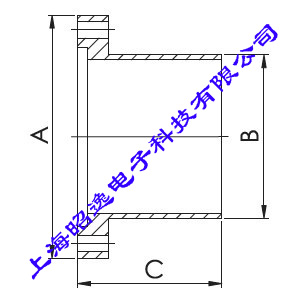
ISOF真空接头(长度可以定做)|
Model No.
|
Material
|
A
|
B
|
C
|
|
ISOF63HN100
|
304 S.S.
|
130
|
63.5
|
100
|
|
ISOF80HN100
|
304 S.S.
|
145
|
76.2
|
100
|
|
ISOF100HN100
|
304 S.S.
|
165
|
101.6
|
100
|
|
ISOF160HN100
|
304 S.S.
|
225
|
152.4
|
100
|
|
ISOF200HN100
|
304 S.S.
|
285
|
203.3
|
100
|
|
ISOF250HN100
|
304 S.S.
|
335
|
254
|
100
|
|
ISOF320HN100
|
304 S.S.
|
425
|
304.8
|
100
|
|
ISOF400HN100
|
304 S.S.
|
510
|
406.4
|
100
|
|
ISOF500HN100
|
304 S.S.
|
610
|
508
|
100
|
[ISOF真空接头] 基本描述:
1.ISOF真空接头英文描述ISO Half Nipple,Bolted[ISOF真空接头] 产品特点:
1.ISOF真空接头与ISO真空中心支架、螺栓配套使用[ISOF真空接头] 适用范围:
1.ISOF真空接头主要用于真空镀膜、太阳能光伏、半导体设备、微电子设备、航空航天、石油化工以及真空系统等行业[ISOF真空接头] 主要材质:
1.常用ISOF真空接头的材质种类:304 S.S. or 316L S.S.[ISOF真空接头] 包装方式:
1.法兰保护盖或者纸箱包装,如有特殊要求请来电说明